电路图相信对于每一个电工而言都不陌生,电路图能够直观清楚的说明电路的原理和设备的具体使用情况,可以毫不含糊地说,电路图是电工基础中的基础,看懂电路图是学习电工的第一步,也是最重要的一步。下面列举最基础的电路图。1.单相双电源自动切换电路
电路原理介绍:
双电源切换应用非常广,两个接触器可实现自动切换,主电源的接触器线圈走继电器的常开触点,备用电源的接触器线圈走继电器的常闭触点。
主线路有电的时候,继电器吸合,常开触点闭合,主线路导通。常闭触点断开,备用电源不工作。当主线路断电的时候,继电器也断电。常开触点恢复初始断开状态,主线路断开。备用电路的接触器通过继电器的常闭触点开始工作。
2.三相双电源自动切换电路
电路原理介绍:
这个电路采用了继电器ka的常开常闭和接触器km1km2常开常闭双互锁结构,安全可靠。
3.一个按钮控制电动机启动和停止电路
原理介绍:
图中,QS为断路器,KM为接触器,FR热继电器,SB按钮,KA1和KA2为两个中间继电器。可以实现单按钮控制启动,断开的控制。
4.三相交流电动机自动往返+过限位保护电路
原理介绍:
按起动按钮SB2,KM1吸合并自保,电动机正转,带动机械设备左移。当撞块碰压行程开关SQ2时,KM1断电,KM2得电吸合并自保,电动机反转,机械设备右移。当撞块碰压行程开关SQ1时,KM2断电,KM1得电,电动机又正转左移。SB1为停止按钮。电路由按钮SB2、SB3及行程开关SQ1、SQ2的动断触点实现了机械联锁,串联在交流接触器线圈KM1、KM2中的KM2、KM1辅助触点实现了电气联锁。串联在控制电路中的FR常闭触点,是在电动机过负载或缺相过热时热继电器将控制电路自动断开,保护了电动机。SQ3、SQ4S是左移和右移的终端位置行程开关。
5.两台电动机顺序启动,逆序停止电路
原理介绍:
启动按钮按下后km1吸合并保持,KTI1延时后KM2工作;停止按钮按下后,km2先断电停运,经KT22延时后km1断电停运。
6.三相电动机正反转+互锁控制电路
7.电动机自耦变压器降压启动控制电路
8.以速度原则控制的单向能耗制动控制电路
9.以时间原则控制的单向能耗制动控制电路
10.双速电动机调速控制电路
11.电动机星三角降压启动电路
12.电接点水位控制电路
13.锅炉自动调温原理图
14.电动葫芦电气控制线路
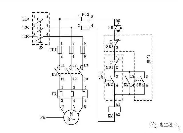
15.三相电动机异地启动控制电路
原理介绍:
在三相异步电动机控制电路中,主线路就是为电动机提供动力电源的电路部分,一般包括总电源开关,电源保险,交流接触器,过流保护器等,控制电路是为主线路提供服务的电路部分,比如启动电钮,关闭电钮,中间继电器,时间继电器等,主线路使用的380V电压,可以提供大电流。控制电路一般根据继电器的吸合线圈来定电压,有12V,36V,220V,380V几种,不可以提供大的电流。
总结
熟练的掌握电路图的基本原理是排查故障的第一步,电路原理图是电工作业中的重要组成部分,也是每一个电力人员必备的技能。
要想成为一名合格的电工,看电路图是最基本的技能。
什么是电路图呢?电路图用导线将电源、开关(电键)、用电器、电流表、电压表等连接起来组成电路,再按照统一的符号将它们表示出来,这样绘制出的就叫做电路图。电路图是用符号表示实物图的图示。
电路图是人们为研究、工程规划的需要,用物理电学标准化的符号绘制的一种表示各元器件组成及器件关系的原理布局图。由电路图可以得知组件间的工作原理,为分析性能、安装电子、电器产品提供规划方案。可能设计电路图较麻烦,不过要想学会看懂电路图就很容易了。
其实电路图方面的知识并不是太难,稍加学习,你也能轻松看懂电路图。

原创文章,作者:锦汇教育-一米,如若转载,请注明出处:https://www.gxjhx.com/dgzy/1649.html