01、电动与自锁混合电路

这种控制增加了一个中间继电器,当我们按下SB2时,中间继电器KA形成自锁,同时自身的常开点闭合KM线圈得电,按下SB1时KM和KA的线圈同时失电。按下SB3时接触器KM线圈得电松开SB3时KM线圈失电,点动控制。这种接线控制效果比较好,直接给大家上实物接线图吧。
02、接触器互锁电动机正反转控制电路

正向转动控制:合上电源开关Q,按下正向起动按钮SB2,接触器KM1的线圈通电并吸合,其主触点闭合,常开辅助触点闭合自锁,电动机M正向旋转。同时KM1的常闭辅助触点断开,避免接触器KM2通电。这时电动机所接电源的相序为A-B-C。
反向转动控制:如果需要电动机由正向旋转变为反向旋转,先按下停止按钮SB1,使正转电路断开,然后再按下反向起动按钮SB3,接触器KM2线圈通电并吸合,其主触点和常开辅助触点闭合,使电动机反转。同时KM2的常闭辅助触点断开,避免接触器KM1通电。这时电动机所接电源相序为C-B-A。
如要电动机停止,只需按下停止按钮SB1即可。
这种控制电路在改变电动机转向时,需要先按停止按钮,再按反转起动按钮,才能使电动机反转。本电路适用于需可逆运行的各种生产机械。
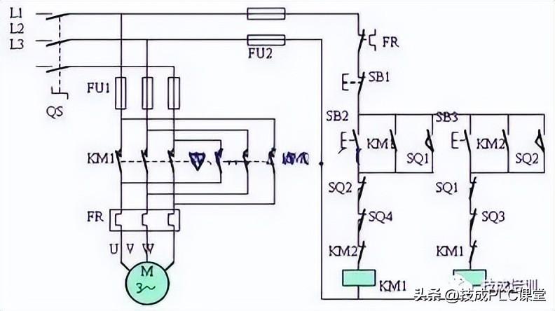
03、电机双重联锁正反转控制

正反转控制运用生产机械要求运动部件能向正反两个方向运动的场合。如机床工作台电机的前进及后退控制;万能铣床主轴的正反转控制;圈板机的辊子的正反转;电梯、起重机的上升及下降控制等场所。
04、自动往返控制电路

合上电源开关QS,按下起动按钮SB2,KM1线圈得电,KM1联锁触点和自锁触点分别断开和闭合,起到联锁和自锁保护作用,KM1主触点闭合,电动机正转,拖动工作台右移。
05、星三角降压启动电路

所谓星三角降压启动是指启动时先把三相绕组做星型连接,等电动机达到一定转速再切换为角形连接进行全压运转。因此星三角降压启动只能用于正常运行时做三角形接法的电动机上。
06、单相双电源自动切换电路

双电源切换应用非常广,两个接触器可实现自动切换,主电源的接触器线圈走继电器的常开触点,备用电源的接触器线圈走继电器的常闭触点。
主线路有电的时候,继电器吸合,常开触点闭合,主线路导通。常闭触点断开,备用电源不工作。当主线路断电的时候,继电器也断电。常开触点恢复初始断开状态,主线路断开。备用电路的接触器通过继电器的常闭触点开始工作。
07、三相双电源自动切换电路

这个电路采用了继电器ka的常开常闭和接触器km1km2常开常闭双互锁结构,安全可靠。
08、两台电动机顺序启动,逆序停止电路

启动按钮按下后km1吸合并保持,KTI1延时后KM2工作;停止按钮按下后,km2先断电停运,经KT22延时后km1断电停运。
09、时间继电器控制星三角减压启动电路图

操作者必须在电动机起动结束后,按下全压运行按钮,才可进行工作。若忘记按下全压运行按钮而进行工作,将会烧毁电动机。解决的办法利用时间继电器进行自动控制。
10、时间继电器控制自耦变压器减压启动电路

自耦变压器降压启动是利用自耦变压器来降低加在电动机定子绕组上的电压,达到限制起动电流的目的。电动机起动时,定子绕组加上自耦变压器的二次电压。起动结束后,甩开自耦变压器,定子绕组上加额定电压,电动机全压运行。
免责声明:本文转自网络,版权归原作者所有,如涉及作品版权问题,请及时与我们联系删除,谢谢!

原创文章,作者:锦汇教育-一米,如若转载,请注明出处:https://www.gxjhx.com/dgzy/1907.html